Berita
Kamu di sini: Rumah » Berita » Pusat pengetahuan » cara mencocokkan sumber daya listrik mesin pers

cara mencocokkan sumber daya listrik mesin pers

Tampilan:0     Penulis:Editor Situs     Publikasikan Waktu: 2022-07-01      Asal:Situs

Menanyakan

facebook sharing button
twitter sharing button
line sharing button
wechat sharing button
linkedin sharing button
pinterest sharing button
whatsapp sharing button
sharethis sharing button

Cara mencocokkan sumber daya listrik mesin pers Anda

Mesin tekan biasanya mengadopsi 3 fase sumber daya listrik. Artikel ini adalah untuk memperkenalkan detail sumber dayamesin tekan. Kami menggunakan mesin pers merek World sebagai contoh.


Contoh:World Brand C Frame Single Crank Press, JH21-160


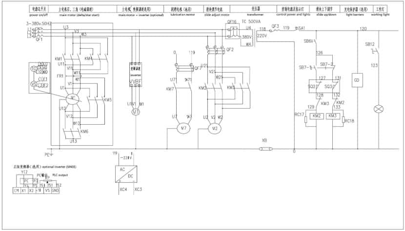
Ada tiga potong motor listrik di tempat pers. Motor utama untuk menggerakkan sistem transmisi, motor rem datar untuk menyesuaikan slide, dan motor kecil untuk pompa minyak listrik. Input Sumber Daya Listrik Menghubungkan Motor Utama dan Slide Sesuaikan Motor Langsung. Daya input menghubungkan motor pompa minyak melalui transformator. Transformer mentransfer tegangan daya input ke 220V.

Power Press Electric Diagram-2

Negara yang berbeda memiliki standar tegangan industri yang berbeda. 220V, 380V, 400V, 415V, 440V dan 600V. Mesin pers merek dunia dibuat di Cina dengan tegangan standar sebagai 380V. Pembeli harus mengkonfirmasi tegangan daya lokal sebelum melakukan pemesanan dengan mesin dunia untuk mesin pers. Mesin dunia dapat mengubah standar tegangan mesin penekan daya sesuai. Motor utama dan slide menyesuaikan tegangan motor harus diubah. Standar tegangan frekuensi inverter harus diubah juga jika pembeli membutuhkan inverter opsional. Tegangan motor pompa minyak tidak perlu perubahan, karena inputnya melalui transformator.

Koneksi Daya Listrik Tekan Daya-2

Hubungkan 3 fase kabel ke L1, L2 dan L3. PE adalah ke tanah untuk keselamatan. Nyalakan motor utama, periksa arah roda roda gila. Arah harus searah jarum jam, seperti yang ditunjukkan panah pada penjaga keselamatan roda gila. Jika arahnya salah, hanya perlu mengganti dua terminal L1, L2 dan L3.


Standar saat ini kabel

Ampere saat ini sesuai dengan kapasitas daya. Tabel berikut adalah untuk referensi.

Kekuatan (KW)

Tegangan (v)

Saat ini (a)

0.75

380

2

1.5

380

3.6

2.2

380

5

3

380

6.6

4

380

8.5

5.5

380

11.5

7.5

380

15.5

11

380

22

15

380

30

18.5

380

37

22

380

44

30

380

60

37

380

72

45

380

85

55

380

105

75

380

138

90

380

160


BERHUBUNGAN

  0086 21 62828320

  0086 13817120700

         0086 13817590728

  wang@worldpowerpress.com

         info@worldpowerpress.com

TAUTAN LANGSUNG

PRODUK

Copyright © SHANGHAI YingXin DUNIA MACHINERY CO., LTD. Seluruh hak cipta. Website Pendaftaran Nomor: 沪ICP备09030720号-3
teknologi denganleadong/sitemap